1.電動叉車直流串勵電動機的調壓調速。通過改變電動機端電壓 Um,例如,將蓄電池串、并聯換接;或在電樞電路中串聯電阻,或將兩個電動機進行串、并聯換接以改變轉速 n,具體方法,如下表所示。
|
直 流 電 動 機 的 調 壓 調 速 |
調速方式 |
調速原理 |
調速特點 |
|
蓄電池串、并聯換接法 |
將蓄電池分成兩組,當兩組蓄電池由串聯換接成并聯時,電動機的端電壓減小一半,以達到調速目的 |
這種調速方法沒有附加電能損耗,但調速不平滑 |
|
|
串接電阻法 |
由電動機的端電壓U=U-Ur=U一IR可知,當電源電壓U不變,電電流不時,增大電阻R,則Um將減小,其電動機轉速n降低,反之轉速升高 |
調速過程中,調速電阻會產生大量的電能損耗,一般不適合作長期運行;但這種方法簡單方便在小功率電動機中仍用得很多目前,普通蓄電池叉車中的走行電動機,均采用這種調速方法 |
|
|
電動串、并聯換接法 |
當兩臺趾拔哎蠶臭哎抱哎碑陛罷俺陛版襖癌榜稗埃唉爸 啊熬柏氨襖哀啊拔隘 啊氨啊鼻箍板罷表絆憋哎綁抱皚金挨埃把埃熬唉叭癌筆傲藹苯沮猜唉怖艾剝勃辦捌岸倍癌成并聯時,每臺電動機的端電壓增加一倍,從而得到兩級速度 |
這種調速方法沒有附加電能損耗,但只能得到兩級速度,故調速不平滑。這種方法只能用于生產機械是由兩臺相同的容量的電動機共同拖動的場合下,一般在電力牽引中用得較多 |
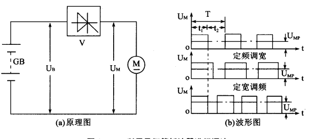
- 圖一所示為原理電路圖。

圖1
當電動叉車直流串勵電動機晶閘管 V導通時,其端電壓 Um 等于電源電壓 U;當晶閘管 V關斷時電動機與電源斷開,其端電壓 Um 等于零。如果使晶閘管按一定的速度周期性地導通和關斷,則電動機的端電壓 Um 將有如圖2(b) 所示的波形假設晶閘管的導通時間 t(為導通時間寬度),關斷時間為(稱為關斷時間寬度),則電動機端電壓的平均值 Um為:
Ump=Ut/ (t+t)=Ut;/T=rU式中:T=ti+t2,稱為工作周期
r=ti/T,稱為導通比。
因此,改變晶閘管的導通比,就可以改變電動機的端電壓平均值,從而達到調速的目的。改變導通比的方法有三種:
(1)定頻調寬:周期T固定,改變導通時間寬度 t1
定寬調頻:t固定,改變周期T《也就是改變作頻率(2)
(3)調頻調寬:t都改變。
上述定頻調寬及調頻調寬的調速方法,在以后的蓄電池叉車電路中都有應用。在實際應用電路中,還在電動機的兩端并聯一個二極管 VD,稱作續流二極管,如圖2所示。

圖2
這樣,當晶閘管 V導通時,電源 GB 供給電動機的電流 G將按指數關系上升,其波形如圖 2- 12 (b) 所示。當晶閘管 V 關斷時,電源不供給電流,即iGB-0。但由于電動機繞組的電感中儲有能量,使電動機電流經二級管 VD繼續流通,即電動機 M 中將流過電流 i的波形是按指數關系下降的。因此,電動機M 所流過的電流Im應為電源電流 ie與續流電流 i之和,即Imi+iv,其波形如圖 2。可見電動叉車直流串勵電動機并聯續流二級管后,可以在晶閘管導通比較小的情況
-
今日科普:高位揀選車安全規范與操作要點高位揀選車作業高度超3米,安全至關重要。本文詳解作業前檢查、人員防護、規范操作、場地要求及停放保養五大要點,嚴禁邊升邊行、超載探身,確保人員與貨物安全,延長設備使用壽命。猜你喜歡 ?0
查看更多 -
2026年倉儲堆垛叉車選哪家 新牛盾上榜前十本文發布高性價比電動叉車品牌前十榜單,合力、杭叉、林德等知名品牌上榜,新牛盾憑借近20年深耕、海內外口碑及高性價比入選。新牛盾擁有多國認證、出口50多國,將亮相139屆廣交會,歡迎咨詢。猜你喜歡 ?0
查看更多 -
電動小叉車價格多少錢 站駕款超劃算2026年站駕式電動小叉車價格清晰透明,1噸6000-7500元、1.5噸7000-9000元、2噸8500-12000元,鋰電另加800-1000元。新牛盾源頭直供,省力高效、窄通道適用,含一年質保與一對一服務,性價比出眾。猜你喜歡 ?0
查看更多 -
步行跨腿全電動堆高車 源頭廠家現貨步行跨腿全電動堆高車專為小倉庫、窄通道打造,車身緊湊、轉向靈活,全電動省力高效。新牛盾源頭廠家現貨充足、發貨快,國內外均可配送,用料扎實、售后完善,無中間商差價,性價比突出。猜你喜歡 ?0
查看更多 -
雙托盤堆垛更省力 站駕式電動堆高車實測好用擁有近20年經驗的叉車廠家推出站駕式電動雙托盤堆垛機,一次可搬運兩托貨物,大幅減少往返次數,高效省力。保留站駕操作、電動驅動、續航穩定等優勢,適合電商、物流、工廠高頻搬運場景。猜你喜歡 ?0
查看更多 -
小倉庫窄通道適合步行式電動搬運車嗎?小倉庫人力搬運效率低、易拖累整體流程,步行式電動搬運車是窄通道首選。車身小巧、轉彎靈活、不占空間,步行操控視野好,省力高效、成本低、無需考證,適合密集倉儲場景,通道極窄可定制窄體款。猜你喜歡 ?0
查看更多
