電動叉車或電動牽引車在作業過程中,由于要頻繁地進行啟動、加速和制這些動作都是通過對電動機的控制來實現的。因此,對直流電動機實行及動,時、有效的控制是十分重要的。目前,對串勵型直流電動機的控制主要有啟動控制、調速控制和反轉控制等幾種型式。
直流串勵電動機不能直接接入電源進行啟動。因為在啟動瞬間,電動機的轉速為零,即n=0,此時反電動勢E=0,根據電源電壓與反電動勢以及電陽壓降的關系可知,此時的電樞電流(稱為啟動電流,用I表示)為:Ist=(U-EA)/(RA+RW)=U/(RA+RW)
由于電動機啟動瞬間 E=0,又因為直流勵電動機的磁極繞組的電阻 R和電樞繞組的電阻 Ra都很小,故啟動時的電流很大,約為其額定電流的10倍~20倍。
這樣電動叉車和電動牽引車大的啟動電流會在換向器上產生強烈的火花而燒壞換向器,同時還會使電動機及其所帶動的機械產生很大的沖擊,給工作機械帶來危害,例如使叉車的貨物產生猛烈撞擊或使貨物掉落等。
為了保證電動機在啟動時,既有較大的啟動轉矩又不致燒毀換向器,一般限制在 1.5倍~2.5倍額定電流的范圍之內。所采用的方法是降壓啟動,即降低電動機的端電壓來啟動。降壓啟動通常采取兩種方法,即串接電阻降壓啟動和晶閘管調壓啟動。
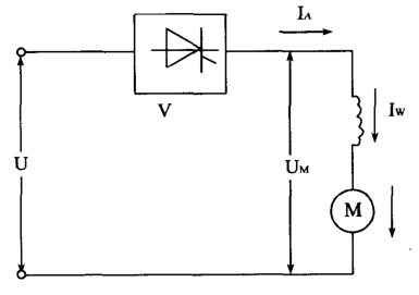
圖一所示,通過直流接觸器 KM和啟動電阻 R調節電動機的電流。在剛啟動時,電動機電路中接入全部電阻 R(R=r1十r2),此時啟動電阻 R 與電動機分壓,于是有:
UM=U-UR
式中:UM一一電動機的端電壓;
U-電源電壓;
UR一外接電阻上的電壓降
圖一 串接電阻啟動
由上式可知,由于電動叉車和電動牽引車剛啟動時接入全部啟動電阻,啟動電流在啟動電阻上的電壓降UR較大,故電動機的端電壓 UM 較低。隨著電動機轉速升高,反電動勢也逐漸增加,電壓降 UR 也減小,UM 則升高,其轉速n也隨之升高。當啟動電阻全部切除時,R-0,因而UR=0、UM=U,即電動機在電源的全電壓下工作啟動完畢。
上述啟動過程可以用圖二所示的啟動特性曲線來表示。當圖一中觸頭KM1及KM2,均斷開時,全部啟動電阻 (r1+r2) 接入,這時電動機的特性如圖二中曲線1所示。曲線2相應于觸頭 KM1閉合,即電阻r1 切除時的機械特性,曲線3相應于觸頭 KM1和KM2都閉合,即全部啟動電阻都切除時的機械特性。利用圖中的特性曲線可以分析電動機啟動過程中轉速及轉矩的變化情況。

圖二 啟動過程
電動叉車或電動牽引車這種啟動方法只能分極啟動,且啟動電阻還有附加損耗,所以不經濟,但這種方法簡單、方便,故在小功率電動機中用得較廣Um 逐漸增大轉速從0逐步加快直到額定轉速,實現啟動,如圖三所示。

圖三 晶閘管調壓啟動
這種啟動方法沒有附加損耗,經濟性好。因電壓可以均勻地增加,使啟動過程很平滑,目前在電動叉車和電動牽引車上基本都采用這種啟動控制方式。
-
今日科普:高位揀選車安全規范與操作要點高位揀選車作業高度超3米,安全至關重要。本文詳解作業前檢查、人員防護、規范操作、場地要求及停放保養五大要點,嚴禁邊升邊行、超載探身,確保人員與貨物安全,延長設備使用壽命。猜你喜歡 ?0
查看更多 -
2026年倉儲堆垛叉車選哪家 新牛盾上榜前十本文發布高性價比電動叉車品牌前十榜單,合力、杭叉、林德等知名品牌上榜,新牛盾憑借近20年深耕、海內外口碑及高性價比入選。新牛盾擁有多國認證、出口50多國,將亮相139屆廣交會,歡迎咨詢。猜你喜歡 ?0
查看更多 -
電動小叉車價格多少錢 站駕款超劃算2026年站駕式電動小叉車價格清晰透明,1噸6000-7500元、1.5噸7000-9000元、2噸8500-12000元,鋰電另加800-1000元。新牛盾源頭直供,省力高效、窄通道適用,含一年質保與一對一服務,性價比出眾。猜你喜歡 ?0
查看更多 -
步行跨腿全電動堆高車 源頭廠家現貨步行跨腿全電動堆高車專為小倉庫、窄通道打造,車身緊湊、轉向靈活,全電動省力高效。新牛盾源頭廠家現貨充足、發貨快,國內外均可配送,用料扎實、售后完善,無中間商差價,性價比突出。猜你喜歡 ?0
查看更多 -
雙托盤堆垛更省力 站駕式電動堆高車實測好用擁有近20年經驗的叉車廠家推出站駕式電動雙托盤堆垛機,一次可搬運兩托貨物,大幅減少往返次數,高效省力。保留站駕操作、電動驅動、續航穩定等優勢,適合電商、物流、工廠高頻搬運場景。猜你喜歡 ?0
查看更多 -
小倉庫窄通道適合步行式電動搬運車嗎?小倉庫人力搬運效率低、易拖累整體流程,步行式電動搬運車是窄通道首選。車身小巧、轉彎靈活、不占空間,步行操控視野好,省力高效、成本低、無需考證,適合密集倉儲場景,通道極窄可定制窄體款。猜你喜歡 ?0
查看更多
